|
|
 |
Ȩ > ±â¼úÀÚ·á > ¿ø°Ý°ËħÀÚµ¿È½Ã½ºÅÛ > ÀüÀڽİ跮±â |
|
 |
|
|
|
 |
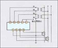
¼¼·Î/»óÇÏÇü |
|
|
|
 |
| Àû¿ë¸ðµ¨ |
|
MWT-140S-1, MWT-180S-1, MWT-112S-1 |
|
|
 |
°¡·Î/Á¿ìÇü |
|
|
|
 |
| Àû¿ë¸ðµ¨ |
|
MWT-140S-1, MWT-180S-1, MWT-112S-1 |
|
|
|
|
 |
¼¼·Î/»óÇÏÇü |
|
|
|
 |
| Àû¿ë¸ðµ¨ |
|
MWT-340S-1, MWT-380S-1, MWT-312S-1 |
|
|
 |
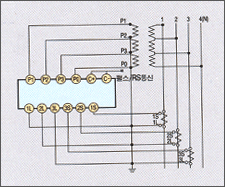
¼¼·Î/»óÇÏÇü |
|
|
|
 |
| Àû¿ë¸ðµ¨ |
|
MWT-340S-1, MWT-380S-1, MWT-312S-1 |
|
|
|
|
 |
º¯¼º±âºÎ Àü·Â·®°è |
|
|
|
 |
| Àû¿ë¸ðµ¨ |
|
MWT-305IS-1, MWT-305OS-1 |
|
|
 |
º¯¼º±âºÎ Àü·Â·®°è |
|
|
|
 |
| Àû¿ë¸ðµ¨ |
|
MWT-305IST-1, MWT-305OST-1 |
|
|
|
|
 |
º¯¼º±âºÎ Àü·Â·®°è |
|
|
|
 |
| Àû¿ë¸ðµ¨ |
|
PIM-H302 |
|
|
|
| |
|
|
|
|
|
|